微型无刷直流水泵
1、含义:
无刷直流水泵使用永磁无刷直流电机的原理,在其转子上加上叶轮,在外壳结构上设计成使液体作离心运动的腔体构成,因
没有碳刷摩擦,所以不会产生火花; 效率高、低功耗、比有刷电机寿命长、噪音低。
与电机式直流无刷水泵相比,无刷直流水泵具有以下优点:
1)泵轴由动密封变成封闭式静密封,彻底避免了介质泄漏;可以水陆两用,并且完全防水
2)无需独立润滑和冷却水,降低了能耗
3)功耗小、效率高,且具有阻尼减振作用,减少了电动机振动对泵的影响和泵发生气蚀振动时对电动机的影响
4)过载时转子会在陶瓷轴上打滑,对电机、泵有保护作用
5)无刷直流水泵采用了电子组件换向,无需使用碳刷换向,采用高性能耐磨精密陶瓷轴及石墨套,轴套通过注塑与磁铁连成整体也就避免了磨损,因
此无刷直流磁力式水 泵的寿命大大增强了。磁力隔离式水泵的定子部分和转子部分完全隔离,定子和电路板部分采用环氧树脂灌封,100%防水,转子
部分采用永磁磁铁,水泵机身采 用环保材料,噪音低,体积小,性能稳定。可以通过定子的绕线调节各种所需的参数,可以宽电压运行。
优点:寿命长,噪音低可达35dB以下,可用于热水循环。电机的定子和电路板部分采用环氧树脂灌封并与转子完全隔离,可以水下安装而且完全防
水,水泵的轴心采用高性能精密钢轴或陶瓷轴,精度高,抗震性好。
食品级微型水泵2504HF
1、特点
1)体积小,安装方便
2)进口PPE原材料
3)精加工石墨轴承,延长使用寿命
4)最高工作温度100℃(可选)
5)最低工作电压是3V,最高工作电压24V,可两节AA电池供电
6)可按照要求定制多种保护(堵转保护/极性反接保护/缺水保护)环氧树脂灌封,IP68防水等级
7)可满足食品级要求
2、电气性能
3、流量/扬程曲线图

4、参数
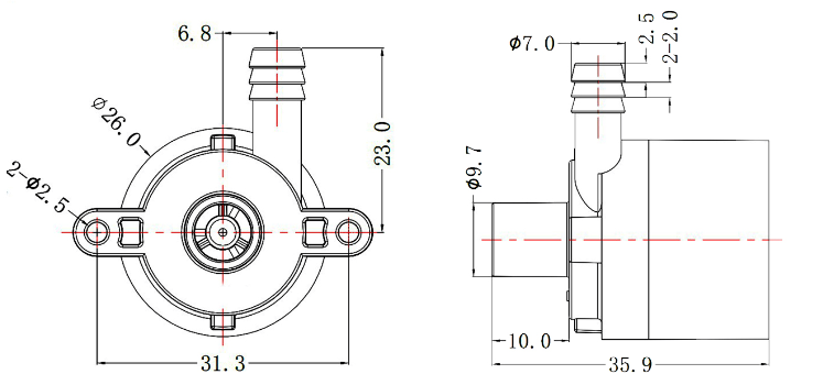
5、尺寸图

6、应用
饮水机、咖啡机、喷泉、水族养殖、小家电应用、医疗设备

7、注意事项
1) 本产品属于离心泵,必须安装于液面以下位置!
2) 严禁使用带有大于0.35mm的杂质和导磁性颗粒的液体。
3) 泵内无液体时,严禁使用!防止转子高速旋转产生高温磨损内部结构。
4) 低温环境使用时,请确保使用液体不会出现结冰或者变得很粘稠。
5) 必须预见低温冻胀的情况,防止冬季水泵内部结冰胀裂.
6) 直流无刷水泵内部间隙精确控制,严禁摔打,否则造成噪声和振动增加!
8、安装水泵


手机站