水暖床垫微型水泵DS6002-幸运飞行艇:官方开奖结果历史


幸运飞行艇:官方开奖结果历史

欢迎您进入幸运飞行艇:官方开奖结果历史网站!
服务热线
15913807200
产品分类
电脑水冷水暖床水泵
您当前位置:微型水泵 >> 微型无刷直流水泵 >> 电脑水冷水暖床水泵 >> 浏览产品
    水暖床垫微型水泵DS6002
  • 产品分类:电脑水冷水暖床水泵
详细介绍


微型无刷直流水泵

1、含义

无刷直流水泵使用永磁无刷直流电机的原理,在其转子上加上叶轮,在外壳结构上设计成使液体作离心运动的腔体构成,因 

有碳刷摩擦,所以不会产生火花; 效率高、低功耗、比有刷电机寿命长、噪音低。

与电机式直流无刷水泵相比,无刷直流水泵具有以下优点:

1)泵轴由动密封变成封闭式静密封,彻底避免了介质泄漏;可以水陆两用,并且完全防水

2)无需独立润滑和冷却水,降低了能耗

3)功耗小、效率高,且具有阻尼减振作用,减少了电动机振动对泵的影响和泵发生气蚀振动时对电动机的影响

4)过载时转子会在陶瓷轴上打滑,对电机、泵有保护作用

5)无刷直流水泵采用了电子组件换向,无需使用碳刷换向,采用高性能耐磨精密陶瓷轴及石墨套,轴套通过注塑与磁铁连成整体也就避免了磨损,因

此无刷直流磁力式水 泵的寿命大大增强了。磁力隔离式水泵的定子部分和转子部分完全隔离,定子和电路板部分采用环氧树脂灌封,100%防水,转子

部分采用永磁磁铁,水泵机身采 用环保材料,噪音低,体积小,性能稳定。可以通过定子的绕线调节各种所需的参数,可以宽电压运行。

优点:寿命长,噪音低可达35dB以下,可用于热水循环。电机的定子和电路板部分采用环氧树脂灌封并与转子完全隔离,可以水下安装而且完全防

水,水泵的轴心采用高性能精密钢轴或陶瓷轴,精度高,抗震性好。


水暖床垫微型水泵DS6002详情


1、特点

    1) CE认证

    2) 进口PPS原材料

    3) 精加工石墨轴承,延长使用寿命

    4) 最高工作温度100℃

    5) 三相正弦波驱动设计

    6) 采用高精度氧化锆陶瓷轴芯,减少震动和噪音

    7)可输出转速FG信号,可PWM速度调节,符合CPU速度调节标准

    8)支持3-pin和4-pinCPU风扇插座

2、电气性能blob.png

3、流量/扬程曲线图

blob.png

4、参数

blob.png

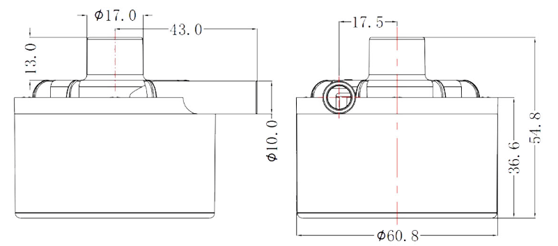
5、尺寸图

blob.png

6、应用

水暖床、医疗美容设备、无土栽培、机械设备

blob.png

7、注意事项

1) 本产品属于离心泵,必须安装于液面以下位置!

2) 严禁使用带有大于0.35mm的杂质和导磁性颗粒的液体。

3) 泵内无液体时,严禁使用!防止转子高速旋转产生高温磨损内部结构。

4) 低温环境使用时,请确保使用液体不会出现结冰或者变得很粘稠。

5) 必须预见低温冻胀的情况,防止冬季水泵内部结冰胀裂.

6) 直流无刷水泵内部间隙精确控制,严禁摔打,否则造成噪声和振动增加!



在线客服
官方微信

手机站

客服电话
返回顶部