回流型常规款隔膜泵0152HB-2460-幸运飞行艇:官方开奖结果历史

幸运飞行艇:官方开奖结果历史

欢迎您进入幸运飞行艇:官方开奖结果历史网站!
服务热线
15913807200
产品分类
常规款隔膜泵
您当前位置:微型水泵 >> 微型自吸泵 >> 常规款隔膜泵 >> 浏览产品
    回流型常规款隔膜泵0152HB-2460
  • 产品分类:常规款隔膜泵
详细介绍

常规款微型隔膜泵

微型隔膜泵主要具备了离心泵所不具有的自吸功能,广泛应用于通用工业设备、医药设备、化工设备、船舶、饮料、地毯和地面清洗、水净化及水处理设备、车辆清洗、农业喷雾、管路増压、空调清洗降温、煤炭冶金行业等

型号说明:

blob.png  Y型:带压力开关

特点:水泵出水口关闭或堵住时,管道压力增大,当达到压力开关设定值时自动切断电源使电机停转;重新打开出水口时压力减小压力开关自动接通电源,电机运转。

适用范围:洗车机,太阳能自动上水,水系统自动控制或其它流体自动控制辅助设备等。

blob.png H型:带回流阀

特点:水泵出水口关闭或堵住时,管道压力增大到设定值时,回流阀打开,水流在泵腔内循环,电机始终运转;因此对出水喷孔尺寸要求不高,适应性强

适用范围:高压喷雾设备,农业喷药等需高压化雾的应用

blob.png

1、常规款各类型接口尺寸

blob.png


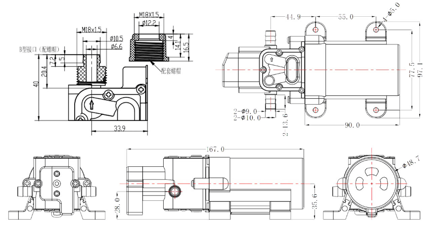
2、H型B接口

1)外观

blob.png

2)尺寸图

blob.png

3、参数表blob.png

4、使用说明

1)将泵与进、出水管连接好:必须确保进、出水管与泵的连接紧密,否则会造成压力低或漏水;

 提示:泵盖上有箭头指示进出水方向,箭头方向为出水,反之为进水;

2)在进水端安装过滤器,要求过滤网密度最好在80目以上(即一平方厘米80个小孔)

3)将微型隔膜泵与电源相连:所接电源的电参数必须符合电机的输入要求;

4)接通电源,电机泵开始运转;

5)出水5-10秒钟,排干泵和管路内的空气,等出水稳定后,暂时关闭电源,接上水枪(或类似工具);

6)打开电源即可正常工作。

5、使用注意事项

1)勿使用温度超过60°的高温水或脏水(脏水中的泥砂会给泵造成不可恢复的损伤);

2)电机泵可以减少溅到少量的水(用完后需擦干),不可以直接对着电机泵喷水,严禁将电机泵泡在水中;

3)电机泵不能长时间放置在潮湿的地方;

4)请勿自行拆解本机器或调整压力设定螺钉,(擅自调整压力设定螺钉,对泵来说可能是致命的);

5)严禁在不接过滤器的状态下使用本机器,过滤网密度最好80目以上(杂质会给泵造成损伤);

6)喷水孔的直径必须符合规定值,否则将损坏电机泵(具体见表一);

7)仅限家用,勿用于商业用途(为避免过度发热而降低使用寿命,在条件允许的情况下建议间歇工作);

8)使用前请确认电源,电源参数需与电机泵输入参数相符合(见表一);

9)建议配套的电源线不得细于0.75平方(铜芯线),长度2.5米左右,不宜太长太细。如果确实需要加长的话,需在加长的同时加粗线径,否则会因电源线的压降过大,导致电机泵输出性能下降(越粗越好,越短越好,长度够用即可);

10)建议出水管内径不宜小于5.5,长度不宜超过10米(不可太长太细,否则影响压力流量和关枪效果。(越粗越好,越短越好,够用即可)。

11)建议进水管内径不小于6,自吸取水时进水管长度不宜超过1.5米(越粗越好,越短越好,够用即可)

12)接自来水等有压力源时,可以适当加长进水管,进水压力不得大于0.2MPA(2公斤力)

13)在冬季,使用完后需排尽泵和管路内的水,否则容易冻裂水泵;

14)采用220V市电供电时,电源适配器所接市电回路中必须装有漏电保护器;

15)电源线损坏时请由专业人员进行维修或更换;

16)用电瓶供电时,需谨防电瓶亏电;

17)长时间不用或中途暂停使用时请断开电机泵与电源之间的连接。



在线客服
官方微信

手机站

客服电话
返回顶部